您好,欢迎访问我们网站,我们为您提供专职注塑模具设计服务!
联系我们
网站地图
网站首页
案例中心
模具2D设计
模具3D设计
其他
新闻资讯
站内新闻
行业资讯
设计应用
常用帮助
关于乐发500
协议声明
联系我们
设计标准
案例中心
模具2D设计
模具3D设计
其他
推荐案例
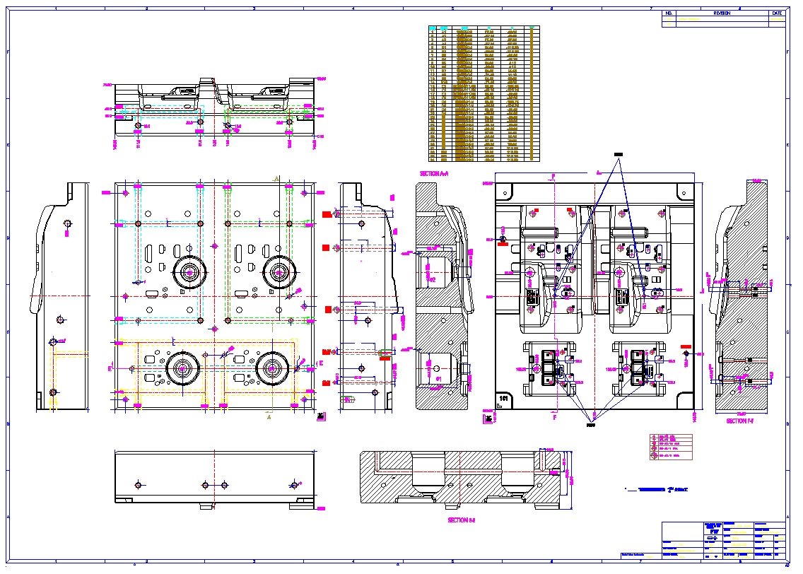
专业注塑模具镶件2D零件图详解:公模/滑块入子加工图设计案例
注塑模具全3D设计2板模冷流道潜水进胶滑块结构精密模具
冷流道双色注塑模具3D设计案例-MISUMI/FUTABA标准
美制UNC标准全3D出口模具设计案例-DME标准详解
首页
>
案例中心
>
模具2D设计
模具2D设计
专业注塑模具镶件2D零件图详解:公模/滑块入子加工图设计案例
扫码联系
扫码联系
油缸齿条自动脱内螺纹模具2D组立图设计案例-苏州昆山模具2D设计
扫码联系
扫码联系
【专业案例】注塑模具主模仁2D加工图完整标注展示
扫码联系
扫码联系
上一页
1
下一页
在线留言
电话联络
电话联络
微信咨询
返回顶部