







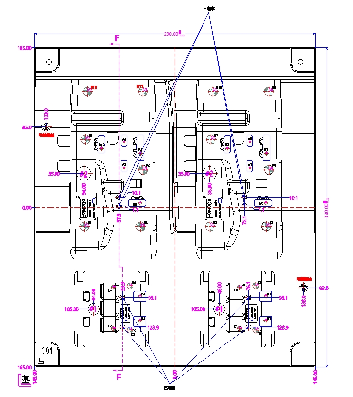
扫码联系注塑模具主模仁的2D加工图是模具设计与制造过程中的核心文件,它详细展示了主模仁的尺寸、形状、加工要求及其他相关信息,为后续的精密模具加工和装配提供了精确的指导。本案例完整展示主模仁2D加工图的标注规范与技术要求。
如图所示,专业的模具2D加工图标注包含以下要素:基准标注、尺寸公差、形位公差、表面粗糙度等完整技术规范,确保加工精度和制造质量。
图纸必须包含所有必要的视图、剖视图、局部放大图,确保加工人员能够完全理解零件结构和加工要求。
标注应清晰、准确、无歧义,尺寸链完整,避免重复标注和遗漏,确保加工过程无误解。
公差设计应合理,既要满足功能要求,又要考虑加工成本和工艺可行性,实现技术经济性的平衡。
作为专业的昆山模具设计服务商,我们在主模仁2D加工图设计方面拥有以下优势:
• 10年以上设计经验:团队核心成员拥有10年以上模具设计经验
• 国际标准精通:精通HASCO、DME、MISUMI等国际模具标准
• 快速响应:24小时内完成图纸评审和修改
• 成本优化:从设计源头降低模具制造成本
• 全程服务:从DFM报告到2D/3D设计的全流程服务
中正通模具设计工作室 - 苏州昆山专业模具设计服务,专注模具2D加工图、主模仁设计、图纸标注规范等专业服务,10年行业经验团队,确保您的模具设计精度和质量。